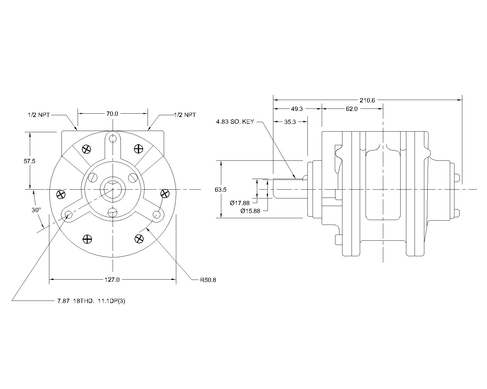
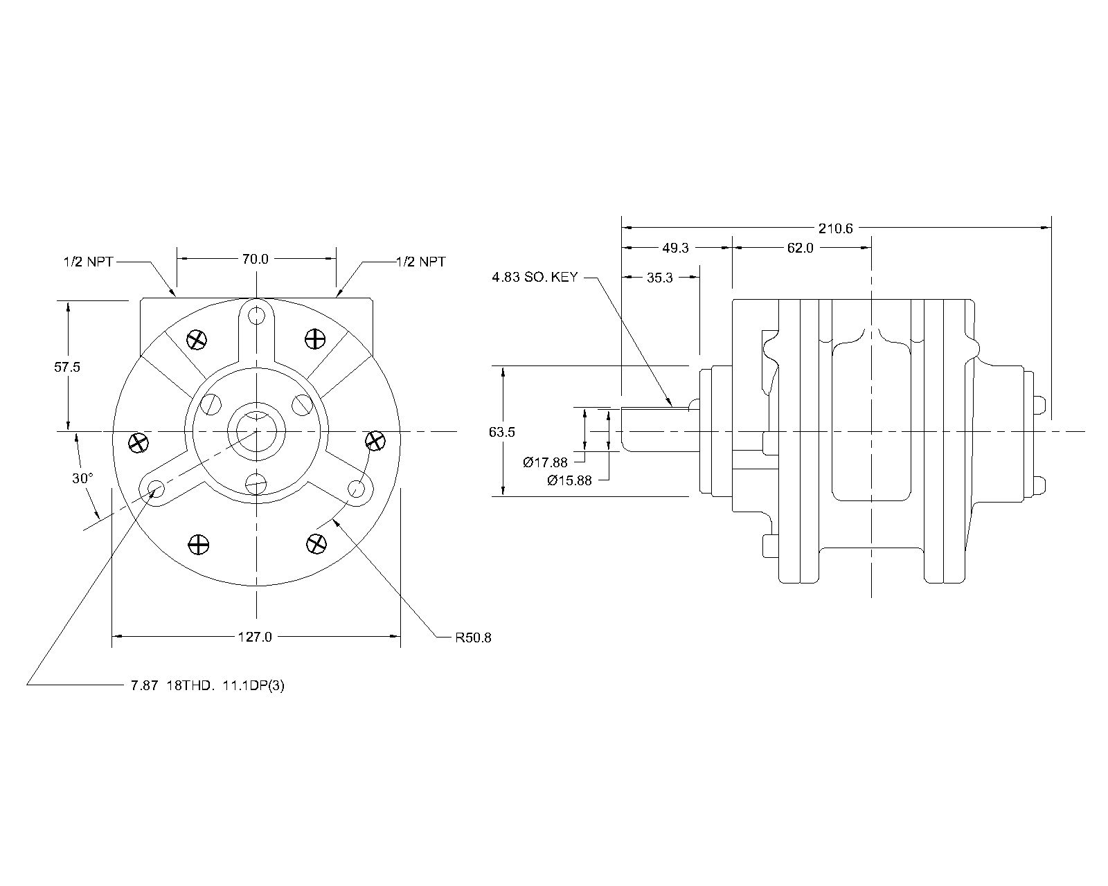
Air Motor 6AM, 3.0 kW [4 hp], 300-3,000 rpm
Contents

The 6AM air motor (vane-type) features a power of 3.0 kW [4 hp], speed range of 300-3,000 rpm and is commonly used in agitators for a capacity between 200 to 1000 liters.
Technical Specifications
| Model: | 6AM |
| Type: | air-driven, 4 vanes |
| Power: | 3.0 kW [4 hp] |
| Speed Range (no load): | 300-3,000 rpm |
| Direction of Rotation: | CCW (Counter ClockWise) |
| Torque (max.): | 13 Nm [115 in-lb] |
| Speed (@max. torque): | 300 rpm |
| Torque (@max speed): | 9.49 Nm [84 in-lb] |
| Air Port Size: | 1/2″ (NPT) |
| Air Consumption (max.) | 128 cfm [3624 lpm/ 228 m3/h] |
| Mounting: | Face |
| Shaft Diameter: | see drawing |
| Operating Pressure (max.): | 7 bar [102 psi] |
| Operating Temperature (max.): | 120°C [250°F] |
| Housing Material: | Cast iron |
| Weight: | 8 kg [17.6 lbs] |
| Misc.: | Muffler included |
Features
Air motors can be employed in hazardous and high-temperature environments. The motor speed can be easily adjusted via air volume (regulator not included).
Applications
for agitators (medium to high viscosity) and mixers. For instance, the 6AM air motor is commonly used in agitators for a capacity of 200-1000 liters. Applications include chemical and paper industry, foundries, smelters and mining.


