มอเตอร์ลม – Air Motor 6AM, 3kW

6AM air motor - มอเตอร์ลม
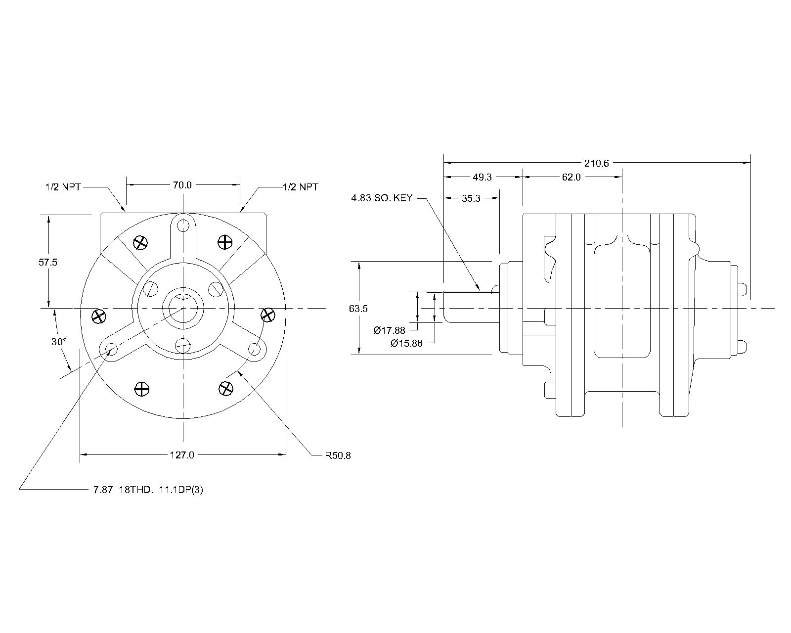
มอเตอร์ลม 6AM – air motor

ข้อกำหนดทางเทคนิค

รุ่น – Model6AM
ประเภท – Typeแบบใช้ลม, 4 ใบพัด
แรงม้าของมอเตอร์ – Power3.0 kW [4 hp]
ความเร็วรอบ – Speed Range300-3,000 rpm
ทิศทางการหมุน – Direction of Rotationหมุนทวนเข็มนาฬิกา CCW (Counter ClockWise)
แรงบิดสูงสุด – Torque (max.)13 Nm [115 in-lb]
แรงบิดของความเร็วสูงสุด – Torque @Max Speed9.49 Nm [84 in-lb]
ข้อต่อสายลมขาเข้า – Air Port Size1/2″ (NPT)
ปริมาณอากาศ – Air Consumption (max.)128 cfm [3624 lpm/ 228 m3/h]
การติดตั้ง – Mountingsee drawing
เส้นผ่าศูนย์กลางเพลา – Shaft Diametersee drawing
แรงดันสูงสุด – Operating Pressure (max.)7 bar [102 psi]
อุณภูมิการใช้งานทั่วไป – Operating Temperature (max.)120°C [250°F]
วัตถุดิบ Housing Materialเหล็กหล่อ
น้ำหนัก – Weight8 kg [17.6 lbs]
หมายเหตุ – Misc.Muffler included

คุณสมบัติผลิตภัณฑ์

เครื่องกวนแบบใช้ลม, ทนอุณหภูมิได้ถึง 80 °C, ควบคุมความเร็วได้ง่ายกว่าเมื่อเทียบกับมอเตอร์ไฟฟ้า

การใช้งาน

เครื่องกวนสาร, เครื่องกวนผสม, เครื่องผสมสารเคมี, เครื่องกวนเคมี, มอเตอร์กวนสารเคมี 6AM-AG200

ดาวน์โหลด

มอเตอร์ลม ราคา

โทร 02-402 6212


ขนาดและรุ่น

แบบ แรงม้าของมอเตอร์ ความเร็วรอบ ประเภท
1AM 0.25 kW [0.33 hp] 500-6,000 RPM มอเตอร์ลม
2AM 0.56 kW [0.75 hp] 300-3,000 RPM มอเตอร์ลม
2AM-G 0.56 kW [0.75 hp] 15-150 RPM มอเตอร์เกียร์ลม
4AM 1.12 kW [1.5 hp] 300-3,000 RPM มอเตอร์ลม
6AM 3.0 kW [4.0 hp] 300-3,000 RPM มอเตอร์ลม